专注于过程自动化解决方案19年仪器仪表行业经验·78万客户的共同选择

193-5753-1827

美仪传感常见问答
您的位置: 首页 > 常见问答
智能涡轮流量计哪家好?

智能涡轮流量计哪家好?

“智能涡轮流量计哪里好”?这绝非一个片面问题,而要综合比对其测量原理、核心技术、耐用性及应用场景贴合度后才能作答。
美仪自动化作为过程自动化领域的国家级高新技术企业,在全球服务网络中拥有丰富的技术积累,以智能涡轮流量计为核心产品。
信号隔离变送器价格多少钱?不同配置参考价格区间分享

信号隔离变送器价格多少钱?不同配置参考价格区间分享

市面上从几百元到数千元的价格区间让人困惑。作为工业自动化系统的“神经信号转换器”与“安全卫士”,其价格差异绝非偶然。本文将从专业角度,深度解析信号隔离变送器成本构成的四大核心维度,助您做出性价比最优的决策。
交流电流隔离器型号有哪些?在售主流型号盘点与选型指南

交流电流隔离器型号有哪些?在售主流型号盘点与选型指南

产品名称:单相交流电流智能隔离变送器
核心特点:
智能通讯:支持RS-485接口,Modbus RTU协议,便于组网和远程监控。
高精度:0.2级精度,满足精细化测量需求。
宽量程:输入量程覆盖AC 0.5A ~ 500A(根据型号),适配多种场景。
强适应性:辅助电源可选,环境适应性强,隔离耐压高达2500V DC。
标准安装:35mm DIN导轨卡装,拔插式端子,施工维护便捷。
(注:更详细的参数请以官网http://www.supmea.com.cn/或最新样本为准。)
信号隔离器多少钱一个?先搞懂这7大定价因素!

信号隔离器多少钱一个?先搞懂这7大定价因素!

作为国内自动化仪表的优秀代表,杭州美仪自动化有限公司的SUP系列信号隔离器,以其高精度、高可靠性、完整的产品线,成为众多工程师的放心之选。其产品设计紧贴工业现场需求,以下为主要型号速览:
国产信号隔离器品牌有哪些?国产信号隔离器选购指南

国产信号隔离器品牌有哪些?国产信号隔离器选购指南

SUP-1002S 电流隔离器
这款产品是美仪的经典之作,专为二、三线制变送器设计,实现输入、输出、电源的三端隔离。

输入信号: 4~20mA, 0~20mA
输出信号: 4~20mA, 0~20mA, 1~5V, 0~5V, 0~10V, 2~10V
供电电源: (20~35) VDC
精度等级: 0.1%FS (在20℃时)
绝缘强度: 1500Vrms,持续1分钟(无击穿飞弧)
负载能力: 电流输出最高可驱动≤550Ω电阻负载
响应时间: ≤2ms
输出温漂: ≤50ppm/℃
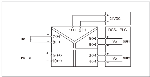
输出回路供电电压隔离器型号有哪些?怎么选型?

输出回路供电电压隔离器型号有哪些?怎么选型?

这里的“无源”或“输出回路供电”是核心:意味着隔离器的输出端本身不提供电源,其输出回路的能量来源于接收端设备(如PLC的AI卡)提供的外部电源电压(Ue)。这有效实现了电气隔离,避免了地电位差引起的干扰。
信号隔离器哪个牌子好?2024年品牌分析与选购指南

信号隔离器哪个牌子好?2024年品牌分析与选购指南

在工业自动化控制系统中,信号隔离器扮演着至关重要的“安全卫士”角色。它能在复杂的现场环境中,有效隔离干扰、转换信号并保障系统稳定,是连接现场仪表与DCS、PLC等控制单元的关键设备。面对市场上众多品牌,如何选择一款性能可靠、性价比高的信号隔离器?
电流隔离变送器如何根据需求精准选型?电流隔离变送器型号有哪些

电流隔离变送器如何根据需求精准选型?电流隔离变送器型号有哪些

隔离耐压(如DC2500V) 直接关系到系统安全。它确保当现场(输入端)因故障出现高电压时,不会窜入到控制系统(输出端),保护昂贵的PLC、DCS等设备免遭损坏。负载能力(如电压输出≥2KΩ,电流输出≤250Ω) 则决定了变送器带载的驱动能力。若实际负载(如导线电阻、接收设备内阻之和)超过电流输出的最大负载能力,会导致输出信号不准甚至损坏变送器。选型时务必核算。

美仪资讯中心

全国服务热线

19357531827
19357531827

Address / 公司地址:
杭州新加坡科技园4幢5层

电话:19357531827

手机:19357531827

微信:19357531827

  • 微信二维码微信获取资料
ICP 备案号:   浙ICP备16031724号