专注于过程自动化解决方案19年仪器仪表行业经验·78万客户的共同选择

193-5753-1827

美仪传感常见问答
您的位置: 首页 > 常见问答
信号隔离器哪家值得买?2026年深度选购指南与品牌推荐

信号隔离器哪家值得买?2026年深度选购指南与品牌推荐

在工业自动化控制系统中,信号隔离器扮演着至关重要的“安全卫士”角色。它能有效隔离现场设备(如变送器、传感器)与控制系统(如DCS、PLC)之间的电气连接,抑制地环路、共模干扰和浪涌冲击,保障信号传输的稳定与系统运行的可靠。
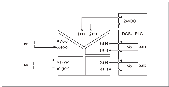
优质二进二出隔离器厂家推荐

优质二进二出隔离器厂家推荐

在工业自动化控制系统中,信号隔离器是保障信号稳定、可靠传输的关键组件。其中,二进二出隔离器因其能够同时处理两路输入和两路输出信号,实现高效、密集的信号隔离与分配,在DCS、PLC等系统集成中应用尤为广泛。面对市场上众多的品牌和厂家,如何做出明智的选择?本文将为您深入剖析,并提供一份专业的选购指南。
电流信号隔离器十大厂家

电流信号隔离器十大厂家

本文将深入解析电流信号隔离器的核心价值,并基于行业信息,为您梳理和推荐国内外值得关注的十大实力厂家。
信号隔离器哪家服务好?深度解析与专业选购指南

信号隔离器哪家服务好?深度解析与专业选购指南

面对市场上众多品牌,许多工程师都会问:信号隔离器哪家服务好? 这不仅关乎产品性能,更涉及技术支持、交付速度和售后保障等全方位服务体验。本文将深入剖析优质服务的核心要素,并提供专业的选购建议。
四线制模拟信号隔离器厂家:四线制模拟信号隔离器选型要点

四线制模拟信号隔离器厂家:四线制模拟信号隔离器选型要点

专用隔离器的必要性:尽管四线制仪表信号与电源分离,但其信号线在复杂工业环境中依然面临干扰风险。专用的四线制模拟信号隔离器(或称“直流信号输入隔离器”)能够为这类独立信号提供“净化”处理:
隔离信号变送器哪家好?深度解析与专业选购指南

隔离信号变送器哪家好?深度解析与专业选购指南

根据处理信号类型的不同,主要分为温度隔离器、电流/电压隔离器、数字隔离器等。例如,文档中提到的FK-403E温度隔离器专用于热电阻信号,而FK-SG01E系列则用于处理直流电流/电压信号。
交流电压隔离器选型指南、核心原理与品牌推荐

交流电压隔离器选型指南、核心原理与品牌推荐

交流电压隔离器,是一种用于测量、隔离并转换交流电压信号的专用仪表。它的核心功能是将来自现场的高压或不安全的交流电压信号(如AC 20V-1000V或更高),通过电气隔离技术,安全、精确地转换为控制系统(如DCS、PLC)能够识别的标准直流信号(如4-20mA、0-10V)或数字通信信号(如RS-485 Modbus)。
食用油流量计哪家好?2026年食用油流量计选型指南

食用油流量计哪家好?2026年食用油流量计选型指南

食用油(如大豆油、菜籽油、花生油、橄榄油等)作为典型的食品级液体,其测量场景具有鲜明特点:

卫生与安全:必须符合食品卫生标准,设备材质需为食品级不锈钢(如304、316L),内壁光滑(Ra<0.8μm),易清洁,无死角,防止油脂残留滋生细菌。
介质特性:粘度随温度变化明显(从常温的几十mPa·s到高温时更低),且可能含有微量杂质。这要求流量计对粘度变化不敏感,或具有优秀的粘度适应性。
工艺温度范围广:从原料油升温处理(可能超过120°C)到成品油常温灌装,流量计需在较宽温度范围内保持稳定。

美仪资讯中心

全国服务热线

19357531827
19357531827

Address / 公司地址:
杭州新加坡科技园4幢5层

电话:19357531827

手机:19357531827

微信:19357531827

  • 微信二维码微信获取资料
ICP 备案号:   浙ICP备16031724号